Сравнение моделей систем управления движением манипулятора для необитаемого подводного аппарата
- Авторы: Кириченко Д.П.1, Сакович С.Ю.1
- 
							Учреждения: 
							- Санкт-Петербургский государственный морской технический университет
 
- Выпуск: Том 4, № 2 (2025)
- Страницы: 147-152
- Раздел: Информационные системы
- Статья получена: 19.02.2025
- Статья одобрена: 03.04.2025
- Статья опубликована: 16.07.2025
- URL: https://cardiosomatics.ru/2414-1437/article/view/657505
- DOI: https://doi.org/10.52899/24141437_2025_02_147
- EDN: https://elibrary.ru/CLCSOI
- ID: 657505
Цитировать
Полный текст
Аннотация
Актуальность. С развитием технологий и увеличением потребностей в исследованиях океанов необитаемые подводные аппараты с манипуляторами становятся важнейшими инструментами для выполнения сложных подводных задач. Эффективные системы управления манипуляторами обеспечивают высокую точность, надёжность и безопасность операций в труднодоступных условиях, что делает их развитие актуальной научно-технической задачей.
Цель работы. Провести сравнительный анализ моделей систем управления движением манипуляторами, применяемых в необитаемых подводных аппаратах.
Материалы и методы. В работе использованы методы моделирования кинематических схем манипулятора с помощью 3D-технологий и графических конструкций. Рассмотрены алгоритмы разомкнутого и замкнутого управления с обратной связью по положению захвата. Для стабилизации положения применён ПИ-регулятор.
Результаты. Моделирование показало, что при разомкнутом управлении манипулятор движется по гармоническому закону, однако при постоянном воздействии система становится неустойчивой. Введение обратной связи по положению захвата приводит к автоколебаниям, которые устраняются применением ПИ-регулятора. Полученные переходные характеристики демонстрируют улучшение устойчивости и управляемости манипулятора.
Заключение. Подход к управлению манипулятором с использованием замкнутой системы и регулятора позволяет обеспечить стабильное и точное выполнение подводных операций.
Ключевые слова
Полный текст
ВВЕДЕНИЕ
С развитием технологий и увеличением потребностей в исследованиях океанов и морей, необитаемые подводные аппараты (НПА) становятся все более важными инструментами для научных, промышленных и исследовательских задач. Эти высокотехнологичные устройства осуществляют мониторинг морской среды, проводят геологоразведочные работы, исследуют морское дно и выполняют сложные инженерные операции на больших глубинах, где присутствие человека невозможно или небезопасно. B настоящее время роботы и манипуляторы находят широкое применение как в производстве, так и в 6ыту. Быстрое внедрение роботов привело к интенсивному развитию теории их расчетов [1].
НПА — подводный аппарат без экипажа на борту, управление которым осуществляется автономной бортовой или дистанционной системой управления или сочетанием указанных способов [2].
Одной из ключевых особенностей современных НПА является наличие манипуляторов, которые значительно расширяют функциональные возможности аппаратов. Манипуляторы выполняют такие задачи, как сбор образцов, установка и обслуживание оборудования, а также взаимодействие с окружающей средой. Роботы становятся незаменимыми инструментами в различных областях, включая экологический мониторинг, подводное строительство и даже военные операции [3, 4].
Актуальность применения НПА с манипуляторами обусловлена несколькими факторами. Во-первых, НПА с манипуляторами становятся незаменимыми инструментами для проведения исследований и эксплуатации этих ресурсов. Эффективные системы управления позволяют точно выполнять поставленные задачи. Во-вторых, использование НПА для выполнения задач в опасных или труднодоступных условиях значительно снижает риски для человека. Совершенные системы управления манипуляторами обеспечивают высокую точность и надежность операций, что критически важно при работе на больших глубинах или в условиях низкой видимости. В-третьих, развитие технологий в области автоматизации и робототехники открывает новые возможности для улучшения систем управления манипуляторами. Внедрение алгоритмов машинного обучения и искусственного интеллекта позволяет создавать адаптивные системы, которые могут самостоятельно принимать решения на основе анализа данных в реальном времени.
Таким образом, исследование и развитие систем управления НПА с манипуляторами не только актуально, но и необходимо для решения множества современных задач, связанных с исследованием и использованием океанов. В данной статье будет рассмотрен сравнительный анализ моделей систем управления движением манипуляторами, применяемых в НПА.
На рис. 1 представлена 3D модель манипулятора.
Рис. 1. 3D модель манипулятора.
Fig. 1. 3D manipulator model.
3D технологии позволяют представить модель со всех ракурсов и устранить недостатки, выявленные в процессе её создания [5].
На рис. 2 представлена кинематическая схема манипулятора. Схема — графический конструкторский документ, на котором составные части изделия и связи между ними представлены в виде условных изображений и графических обозначений [6]. Кинематические схемы показывают взаимодействие узлов и деталей механизма.
Рис. 2. Кинематическая схема манипулятора.
Fig. 2. Kinematic diagram of the manipulator.
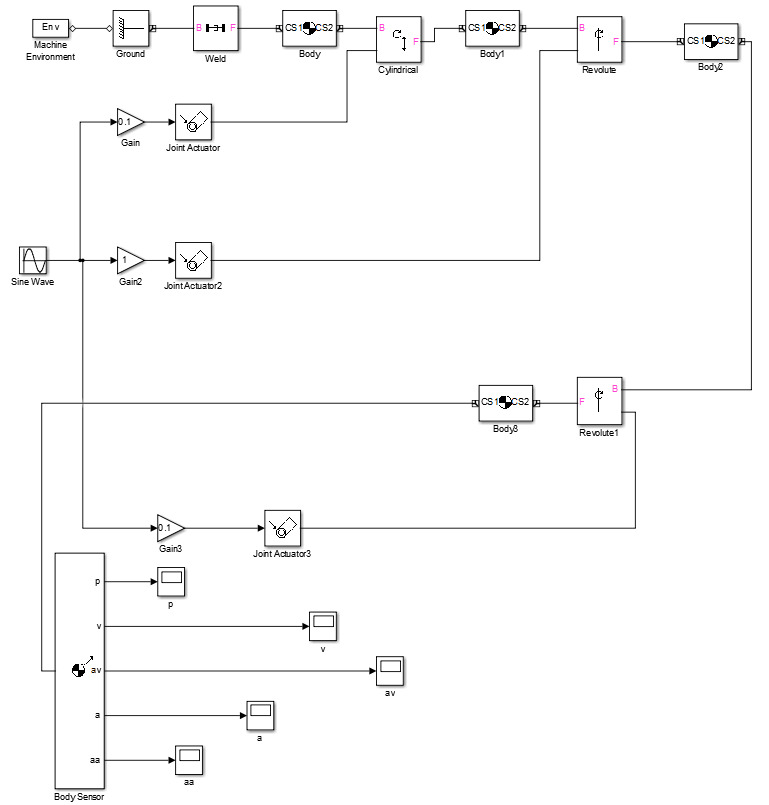
Задача манипулятора на НПА — обеспечение проведения подводных работ без прямого участия человека. Первый исследуемый алгоритм — разомкнутое управление манипулятором изображен на рис. 3. В рамках разомкнутого управления сигналы подаются оператором НПА. На рис. 1 и 2 видны основные части манипулятора: плечо, предплечье, кисть и захват.
Рис. 3. Разомкнутое управление манипулятором робота.
Fig. 3. Open loop control of the robot manipulator.
Схема, показанная на рис. 3, моделирует поведение манипулятора, состоящего из четырех идеальных твердых тел («Плечо» — блок Body, «Предплечье» — Body1, «Кисть» — Body2, «Захват» — Body3). Манипулятор приводится в движение одной цилиндрической и двумя угловыми передачами. Блоки Joint Actuator необходимы для передачи управляющего усилия на передачи, моделируя, таким образом, приводной двигатель. Блок Body Sensor позволяет получит координаты, скорость, линейные и угловые ускорения захвата.
Проведем моделирование разработанной схемы, подав на передачи синусоидальное воздействие. На рис. 4 показаны координаты захвата в функции времени.
Как видим из рис. 4, при разомкнутом управлении координата манипулятора изменяется по близкому к линейному закону. Рассмотрим изменение во времени скорости, линейного и углового ускорения вдоль рабочей оси (рис. 5).
Рис. 4. Координата захвата в функции времени.
Fig. 4. Pick coordinate as a function of time.
Рис. 5. Скорость и ускорения захвата.
Fig. 5. Pick speed and acceleration.
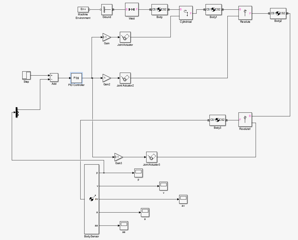
Как видим, динамические характеристики манипулятора изменяются по гармоническому закону, что позволяет сделать вывод о движении захвата по окружности. Тем не менее, при выполнении подводных работ требуется реализация произвольного закона перемещения захвата. Проанализируем поведение захвата при скачкообразном задающем сигнале (рис. 6). Как видим, при подаче постоянного воздействия, манипулятор неустойчив, так как его координата неограниченно возрастает. Соответственно, применение разомкнутого управления манипулятором имеет ограниченные возможности управления, и эту проблему необходимо решать введением обратной связи, для чего использован алгоритм замкнутого управления, показанный на рис. 7.
Рис. 6. Положение захвата при постоянном управляющем воздействии.
Fig. 6. Pick position under constant controlling action.
Рис. 7. Схема манипулятора с обратной связью по положению.
Fig. 7. Diagram of a manipulator with position feedback.
Для организации замкнутого управления введем обратную связь по положению захвата (рис. 7).
Построим переходную характеристику положения захвата при ступенчатом воздействии (рис. 8). Как видим из рис. 8, введение единичной обратной связи приводит к автоколебаниям положения. Соответственно, для стабилизации положения единичной обратной связи недостаточно и требуется введение регулятора. Используем ПИ-регулятор с параметрами Kp = 0,01; Ki = 1 с. На рис. 9 приведена соответствующая переходная характеристика.
Рис. 8. Переходная характеристика положения захвата при единичной обратной связи.
Fig. 8. Pick position transient curve with unity feedback.
Рис. 9. Переходная характеристика положения захвата при ПИ-регулировании.
Fig. 9. Pick position transient curve with PI control.
ЗАКЛЮЧЕНИЕ
Использование ПИ-регулятора в замкнутом контуре по положению захвата позволяет точно отрабатывать задающее воздействие с минимальным перерегулированием, в отличие от разомкнутого управления, не обеспечивающего ни точности, ни устойчивости регулирования манипулятора. Соответственно, использование обратных связей позволяет строить автоматизированные системы подводных работ.
Таким образом, объективно лучшими показателями качества обладает алгоритм замкнутого автоматического управления без участия оператора.
Манипуляторы в подводной среде обладают широкими возможностями, их развитие открывает новые перспективы для эффективного использования морских ресурсов. Будущие исследования и разработки в этой области будут способствовать созданию более надежных и универсальных решений, способных справляться с современными проблемами подводной робототехники.
ДОПОЛНИТЕЛЬНАЯ ИНФОРМАЦИЯ
Вклад авторов. Все авторы внесли существенный вклад в разработку концепции, проведение исследования и подготовку статьи, прочитали и одобрили финальную версию перед публикацией. Личный вклад каждого автора: Д.П. Кириченко — написание текста, разработка концепции, анализ полученных данных, оформление рисунков; С.Ю. Сакович — руководство проведением исследования, редактирование текста.
Источники финансирования. Авторы заявляют об отсутствии внешнего финансирования при проведении исследования.
Конфликт интересов. Авторы декларируют отсутствие явных и потенциальных конфликтов интересов, связанных с публикацией настоящей статьи.
Генеративный искусственный интеллект. При создании настоящей статьи технологии генеративного искусственного интеллекта не использовали.
ADDITIONAL INFO
Author contributions: All the authors made substantial contributions to the conception of the study, acquisition, analysis, interpretation of data for the work, drafting and reviewing the article, final approval of the version to be published, and agreed to be accountable for all aspects of the study. Personal contribution of each author: D.P. Kirichenko: writing—original draft, conceptualization, formal analysis, visualization; S.Yu. Sakovich: supervision, writing—review & editing.
Funding sources: The study was not supported by any external sources.
Disclosure of interests: The authors have no explicit or potential conflicts of interests associated with the publication of this article.
Generative AI: No generative artificial intelligence technologies were used to prepare this article.
Об авторах
Дмитрий Павлович Кириченко
Санкт-Петербургский государственный морской технический университет
							Автор, ответственный за переписку.
							Email: dima01100190@gmail.com
				                					                																			                								
магистр 2 курса
Россия, 190121, Санкт-Петербург, ул. Лоцманская, 3Сергей Юрьевич Сакович
Санкт-Петербургский государственный морской технический университет
														Email: sergeysakovich@mail.ru
				                					                	SPIN-код: 2426-9555
																		                								
канд. техн. наук, доцент, доцент кафедры систем автоматического управления и бортовой вычислительной техники
Россия, 190121, Санкт-Петербург, ул. Лоцманская, 3Список литературы
- Бабенко Е.В. Моделирование структуры роботов и манипуляторов // Известия высших учебных заведений. Северо-Кавказский регион. Технические науки. 2011. С. 41–45. EDN: NDERDT
- ГОСТ Р 60.7.0.3–2023. Национальный стандарт Российской Федерации. Роботы и робототехнические устройства. Аппараты необитаемые подводные. Классификация (утв. и введён в действие Приказом Федерального агентства по техническому регулированию и метрологии от 4 июля 2023. № 477-ст). М.: Стандартинформ, 2023.
- Голобоков С.А. Автономные необитаемые подводные аппараты – носители минного оружия // Россия и АТР. 2009. № 2(64). С. 119–130. EDN: MSUKDV
- Дулепов В.И., Лелюх Н.Н. Исследование и контроль состояния морских донных экосистем с использованием подводной робототехники // Гео-Сибирь. 2007. Т. 3. С. 117–120. EDN: PHIHGL
- Проектное бюро. Дата обращения: 28.11.2024. Режим доступа: https://kf.osu.ru/pb/2016/03/11/making-sure-you-have-a-great-harvest/
- Радионова Л.К., Полтавцева Т.А. Методические указания по курсу «Инженерная графика». М.: МЭИ, 1997.
Дополнительные файлы
 
				
			 
						 
					 
						 
						 
						 
									
 
  
  
  Отправить статью по E-mail
			Отправить статью по E-mail 











